

尼科法兰液压球阀概述:
法兰液压球阀主要用于液压管路中控制油液的流通和截止,本型球阀具有流阻损失小,密封性能可靠,操作方便,外观精美等特点。
尼科法兰液压球阀参数:
1、系列代号:KHBD(KHMF)系列法兰式液压球阀
2、公称通径:16mm、20mm、25mm、32mm、40mm、50mm
3、压力范围:40bar、63bar、100bar、160bar、250bar、315bar
4、阀体材料:1-钢
5、球体材料:1-钢
6、工作温度:1(-25℃~100℃)、2(-30℃~170℃)
7、其他密封:2-丁腈橡胶
8、手柄形式:02-铝制曲柄、06-钢制曲柄、09-不带手柄
9、设计序号:由生产商定
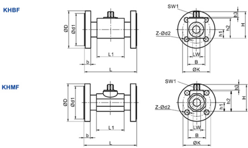
尼科法兰液压球阀尺寸:

主要连接外形和尺寸-KHBF型
单位:mm
简略型号
压力范围bar
DN
LW
L
L1
D
d1
KHBF-016
10-40
16
15
130
48
95
45
KHBF-016
63-160
16
15
13
48
105
45
KHBF-016
250-315
16
15
130
48
130
45
KHBF-020
10-40
20
20
150
60
105
58
KHBF-025
10-40
25
25
160
65
115
68
KHBF-025
63-160
25
25
160
65
140
68
KHBF-025
250
25
25
160
65
150
68
KHBF-025
315
25
25
160
65
160
68
主要连接外形和尺寸-KHMF型
单位:mm
简略型号
压力范围bar
DN
LW
L
L1
D
d1
KHMF-032
10-40
32
30
180
84
140
78
KHMF-032
63-160
32
30
180
84
155
78
KHMF-040
10-40
40
38
200
91
150
88
KHMF-040
63-160
40
38
200
91
170
88
KHMF-040
250
40
38
200
91
185
88
KHMF-040
315
40
38
200
91
195



