当前位置: 首页 > 产品展示 > 通用阀门 > 尼科球阀
产品展示


尼科液位二位三通球阀
详情信息
尼科NIKO(中国)办事处-江苏尼科阀业有限公司提供【液位二位三通球阀】标准、图纸、原理、参数、认证、说明书。质量可靠,价格合理,售后优质。我们拥有专业的生产技术图纸和完整的技术服务方案,为用户提供一站式的系统解决方案。
尼科液位二位三通球阀概述:
液位二位三通球阀是一种用压力油操作的自动化元件,它受配压阀压力油的控制,通常与电磁配压阀组合使用,用于单作用执行元件,可用于远距离控制水电站油、气、水管路系统的通断。
2、连接代号:M** 、G** 、 **LR 、**SR、PT**、NPT**
3、公称通径:04、06、08、10、13、16、20、25、32、40、50
4、球芯机能:L-L型机能球芯、T-T型机能球芯
5、连接方式:N-内螺纹、W-外螺纹
6、阀体材料:1-45#、3-316不锈钢
7、球芯材料:1-45#、3-316不锈钢
8、球封材料:1-POM(聚甲醛)、2-PTFE(聚四氟乙烯)
9、其他密封:1-NBR(丁腈橡胶)、2-FPM/FKM(氟橡胶)
10、01-C型锌合金曲柄、02-B型锌合金曲柄、03-B型铸钢曲柄、09-不带手柄
备注:材料1111为常规使用组合,PTFE材料使用时较高工作压力不超过100bar两阀座部位沿与阀门通道轴线相垂直的截面分为三部分,整台阀门沿阀杆中心轴左右对称,它在管道上主要用于切断、分配和改变介质流动方向。它的大枢轴结构保证在高压下准确的球体中心位置,保证了阀门良好的操作性能;标准阀座采用弹簧结构,将阀座推向球体,保证了良好的进出口双向密封性能;利用自带的排放阀,阀体中腔可向外排放;枢轴采用防吹出保护结构,有效地防止泄漏;低磨擦系数的轴承,使得扭矩减少到较小,便于阀门启闭;阀杆与阀体有效的接触,使防静电接地装置性能优越等。
进口KHB3K(BK3)二位三通高压球阀是一种用压力油操作的自动化元件,它受配压阀压力油的控制,通常与电磁配压阀组合使用,可用于远距离控制水电站油、气、水管路系统的通断。
尼科液位二位三通球阀概述:
液位二位三通球阀是一种用压力油操作的自动化元件,它受配压阀压力油的控制,通常与电磁配压阀组合使用,用于单作用执行元件,可用于远距离控制水电站油、气、水管路系统的通断。
尼科液位二位三通球阀参数:

2、连接代号:M** 、G** 、 **LR 、**SR、PT**、NPT**
3、公称通径:04、06、08、10、13、16、20、25、32、40、50
4、球芯机能:L-L型机能球芯、T-T型机能球芯
5、连接方式:N-内螺纹、W-外螺纹
6、阀体材料:1-45#、3-316不锈钢
7、球芯材料:1-45#、3-316不锈钢
8、球封材料:1-POM(聚甲醛)、2-PTFE(聚四氟乙烯)
9、其他密封:1-NBR(丁腈橡胶)、2-FPM/FKM(氟橡胶)
10、01-C型锌合金曲柄、02-B型锌合金曲柄、03-B型铸钢曲柄、09-不带手柄
备注:材料1111为常规使用组合,PTFE材料使用时较高工作压力不超过100bar两阀座部位沿与阀门通道轴线相垂直的截面分为三部分,整台阀门沿阀杆中心轴左右对称,它在管道上主要用于切断、分配和改变介质流动方向。它的大枢轴结构保证在高压下准确的球体中心位置,保证了阀门良好的操作性能;标准阀座采用弹簧结构,将阀座推向球体,保证了良好的进出口双向密封性能;利用自带的排放阀,阀体中腔可向外排放;枢轴采用防吹出保护结构,有效地防止泄漏;低磨擦系数的轴承,使得扭矩减少到较小,便于阀门启闭;阀杆与阀体有效的接触,使防静电接地装置性能优越等。
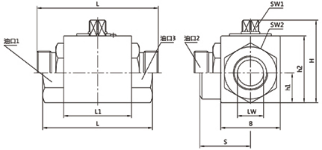
尼科液位二位三通球阀尺寸:

进口KHB3K(BK3)二位三通高压球阀是一种用压力油操作的自动化元件,它受配压阀压力油的控制,通常与电磁配压阀组合使用,可用于远距离控制水电站油、气、水管路系统的通断。



