

尼科气动三片式螺纹球阀概述:
气动三片式螺纹球阀由角行程的气动执行机构和球阀组成,适用于两位切断和调节的场合。球阀分为整体式、两片式及三片式。内螺纹气动球阀阀杆采用有倒密封的下装式结构,阀腔异常升压时,阀杆不会被冲击。可设置90°开关定位机构,根据需要加锁以防止误操作。
尼科气动三片式螺纹球阀参数:
| 阀体材质 | 执行器参数 |
| 公称通径:DN10-DN80 | 作用方式:双作用、单作用(弹簧复位) |
| 公称压力:1.6Mpa,2.5Mpa,4.0Mpa,6.4Mpa | 气源压力:双作用:3-8bar;单作用:4-8bar |
| 适用温度:-10℃~120℃ | 行程范围:90°(±5) |
| 适用介质:水、油、气、 | 输出扭矩:双作用:3.9-10560N.m;单作用:8.5-4858N.m |
| 阀体材质:不锈钢 | 控制方式:开关型、智能调节型 |
| 连接方式:丝扣螺纹 | 附件选择:电磁阀、定位器、限位开关、三联件、手动机构 |
①动作时间快,输出稳定,可靠性高;
②结构简单、体积小、重量轻;
③配套简单,流通能力大;
④适合于介质是粘稠,含颗粒,纤维性质的场合;广泛应用于食品,环保,轻工,石油,造纸,化工,教学和科研设备,电力等行业的工业控制场合。
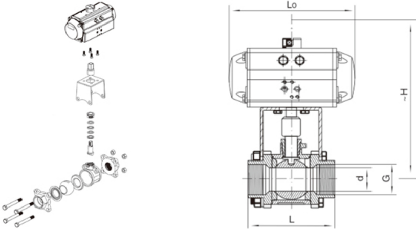
尼科气动三片式螺纹球阀尺寸:

主要连接外形和尺寸
单位:mm
通径
15
20
25
32
40
50
65
80
L
72
82
90
112
120
145
185
210
H
159/175
167/183
172/215
210/230
218/248
248/283
273/320
313/335
注:此外形尺寸为1.6Mpa压力球阀,如需更高压力尺寸图纸,敬请来电来函咨询。
气动螺纹球阀是球阀配上气动执行器。气动执行器的执行速度相对较快,并且不需要工人亲力亲为,在很大程度上节约了人力资源以及时间。


