

尼科气动高真空球阀概述:
气动高真空球阀是利用压力气体作动力,通过气缸来驱动球体作旋转运动,达到接通或切断气流目的的一种阀门。它具有高流导,连接形式多样等特点,是真空和压力能同时兼用的一种阀门。
适用的介质为空气及弱腐蚀性气体。是乳品、酒业、生物工程、食品、制药、饮料、化工、化妆品等领域的常选阀门。并已广泛应用于新能源行业及半导体产业。
尼科气动高真空球阀参数:
| 阀体材质 | 执行器参数 |
| 公称通径:DN10-DN100 | 作用方式:双作用、单作用(弹簧复位) |
| 公称压力:6×10^5~6.7×10^-4Pa | 气源压力:双作用:3-8bar;单作用:4-8bar |
| 适用温度:-30℃~260℃ | 行程范围:90°(±5) |
| 适用介质:真空介质 | 输出扭矩:双作用:3.9-10560N.m;单作用:8.5-4858N.m |
| 阀体材质:不锈钢 | 控制方式:开关型、智能调节型 |
| 连接方式:法兰、活套、快装 | 附件选择:电磁阀、定位器、限位开关、三联件、手动机构 |
采用ISO5211直接安装执行器的平台设计,无需连接支架和轴套,可直接安装驱动装置,便于实行智能化。
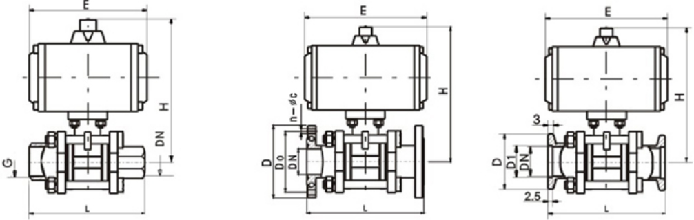
尼科气动高真空球阀尺寸:

主要连接外形和尺寸-内螺纹
单位:mm
通径
10
16
25
32
40
50
63
80
100
L
94
104
114
140
165
175
195/186
220/203
280/220
H
129
129
161
166
191
198
233
253
313
注:此外形尺寸为1.6Mpa压力球阀,如需更高压力尺寸图纸,敬请来电来函咨询。
进口GUQ气动真空球阀采用一体式结构设计,在真空系统中,用于切断或调节管路中介质。该阀采用气动驱动装置,来实现阀门的开关控制,另可选弹簧复位的单作用气动执行器,在气源断开后可自动复位到原设定位置。也可配以智能阀门定位器,通过外部输入信号来控制气动驱动装置,从而实现阀门的调节控制,再根据不同的V形通口设计,实现近似百分比和线性等多种流量特性。密封结构设计独特因而既能用在真空状态下,也能在低压状态下使用。适用的介质为空气及弱腐蚀性气体,是酒业、生物工程、食品、制药、饮料、化工、化妆品等领域的常选阀门,并已广泛应用于新能源行业及半导体产业。


