当前位置: 首页 > 产品展示 > 通用阀门 > 尼科球阀
产品展示


尼科高压液压球阀
详情信息
尼科NIKO(中国)办事处-江苏尼科阀业有限公司提供【高压液压球阀】标准、图纸、原理、参数、认证、说明书。质量可靠,价格合理,售后优质。我们拥有专业的生产技术图纸和完整的技术服务方案,为用户提供一站式的系统解决方案。
尼科高压液压球阀概述:
高压液压球阀主要用于液压管路中控制油液的流通和截止。本型球阀具有流阻损失小、密封性能可靠、操作方便、外观精美等特点。本型高压球阀主要有阀体、球体、阀杆、手柄和密封装置组成。阀体采用钢质锻件,表面镀铬,镀黄锌。
2、连接代号:M** 、G** 、 **LR 、**SR、PT**、NPT**
3、公称通径:04、06、08、10、13、16、20、25、32、40、50
4、阀体材料:1-45#、3-316不锈钢
5、球芯材料:1-45#、3-316不锈钢
6、球封材料:1-POM(聚甲醛)、2-PTFE(聚四氟乙烯)
7、其他密封:1-NBR(丁腈橡胶)、2-FPM/FKM(氟橡胶)
8、01-C型锌合金曲柄、02-B型锌合金曲柄、03-B型铸钢曲柄、09-不带手柄
备注:材料1111为常规使用组合,PTFE材料使用时较高工作压力不超过100bar
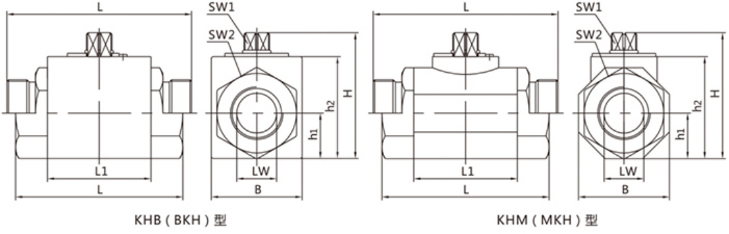
进口KHB、KHM系列高压球阀是性能可靠的标准型球阀、压力范围可达500巴、此球阀的规格自DN4至DN50。根据不同的介质,选用不同的材料,系列可实现在管道中连通和关闭。
尼科高压液压球阀概述:
高压液压球阀主要用于液压管路中控制油液的流通和截止。本型球阀具有流阻损失小、密封性能可靠、操作方便、外观精美等特点。本型高压球阀主要有阀体、球体、阀杆、手柄和密封装置组成。阀体采用钢质锻件,表面镀铬,镀黄锌。
尼科高压液压球阀参数:

2、连接代号:M** 、G** 、 **LR 、**SR、PT**、NPT**
3、公称通径:04、06、08、10、13、16、20、25、32、40、50
4、阀体材料:1-45#、3-316不锈钢
5、球芯材料:1-45#、3-316不锈钢
6、球封材料:1-POM(聚甲醛)、2-PTFE(聚四氟乙烯)
7、其他密封:1-NBR(丁腈橡胶)、2-FPM/FKM(氟橡胶)
8、01-C型锌合金曲柄、02-B型锌合金曲柄、03-B型铸钢曲柄、09-不带手柄
备注:材料1111为常规使用组合,PTFE材料使用时较高工作压力不超过100bar
尼科高压液压球阀尺寸:

进口KHB、KHM系列高压球阀是性能可靠的标准型球阀、压力范围可达500巴、此球阀的规格自DN4至DN50。根据不同的介质,选用不同的材料,系列可实现在管道中连通和关闭。



