

尼科对夹夹套保温球阀概述:
对夹夹套保温球阀具有良好的保温或保冷性能,且保温球阀的通径和管径一至,介质呈直线流动,阻力小,较适合容易凝固、高粘度的液体介质。同时又能有效降低管路中介质的热量损失。保温管线与夹套接管焊接,允许蒸汽或冷水的较高压力为1MPa。主要用于石油、化工、制药、食品等各类系统中,以输送常温下会凝固的高粘度介质。
尼科对夹夹套保温球阀参数:
公称通径:DN15-DN200
公称压力:1.6Mpa,2.5Mpa
适用温度:-20℃~350℃
适用介质:水、油、气等
阀体材质:碳钢、不锈钢
连接方式:对夹连接
传动方式:手动
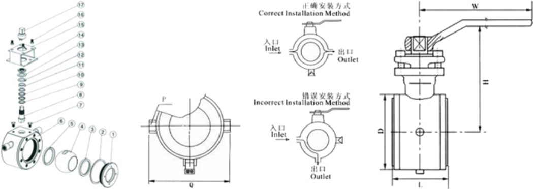
尼科对夹夹套保温球阀结构:
①阀门密封性能好,能实现双向密封,零泄漏;
②阀杆密封可靠,采用双碟形弹簧自动压紧填料设计,密封寿命长;
③下装式阀杆和阀杆头部凸阶防止阀杆受压力喷出,确保安全;
④结构长度较短,外形小巧,重量轻,节约安装空间,维护方便;
⑤保温夹套结构,保证阀门在常温环境下正常工作,输送易凝固,结晶介质。
尼科对夹夹套保温球阀尺寸:

注:此外形尺寸为1.6Mpa压力球阀,如需更高压力尺寸图纸,敬请来电来函咨询。
主要连接外形和尺寸
单位:mm
通径
15
20
25
32
40
50
65
80
100
125
150
200
L
32
39
45
55
62
72
95
120
145
200
225
275
H
62
70
79
86
92
102
158
172
187
200
240
278



