当前位置: 首页 > 产品展示 > 通用阀门 > 尼科蝶阀
产品展示


尼科消防信号蝶阀
详情信息
尼科NIKO(中国)办事处-江苏尼科阀业有限公司提供【消防信号蝶阀】标准、图纸、原理、参数、认证、说明书。质量可靠,价格合理,售后优质。我们拥有专业的生产技术图纸和完整的技术服务方案,为用户提供一站式的系统解决方案。
尼科消防信号蝶阀概述:
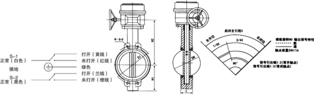
尼科XD371X,WBSX消防信号蝶阀的作用就是在关闭时给控制器发出信号,说明支管碟阀被关闭了,支管不通。在信号蝶阀的顶部设有阀门启闭电信号装置,当阀门被误关闭25%(全开度的四分之一)时,邮电局信号装置便输出被除数误关闭的信号到消防中心,所以此蝶阀是消防自动喷水灭火系统的较佳配套产品。主要用于给排水,建筑消防等各系统管道上,优其在消防管路上。
尼科消防信号蝶阀参数:
公称通径:DN50-DN200
公称压力:1.0Mpa-1.6Mpa
适用温度:-20℃~120℃
适用介质:水、海水、油品
阀体材质:铸铁、球墨铸铁、铸钢
连接方式:对夹连接
设计制造:GB12238-89
结构长度:GB12221-89
法兰标准:GB/T9113.1
检查试验:GB/T13927-92
尼科消防信号蝶阀特性:
消防信号蝶阀的电信号装置设计于蜗杆、蜗轮驱动装置的顶部,并与阀杆直联传动,在精密全封闭的机电装置内,设有消防信号蝶阀开启度机械指示器和尼科电气元件及防锈机件、输出信号长期稳定可靠。
尼科蝶阀的启闭件是一个圆盘形的蝶板,在阀体内绕其自身的轴线旋转,从而达到启闭或调节的目的。蝶阀的优点有结构简单、体积小、重量轻、安装尺寸小、开关迅速。消防信号蝶阀的顶部设有阀门启闭电信号装置,当消防信号蝶阀被误关闭20%(全开度的1/4)时,电信号装置便输出被误关闭的信号到消防控制中心,所以消防信号蝶阀是消防自动喷水灭火系统的较佳配套产品。
尼科消防信号蝶阀概述:
尼科XD371X,WBSX消防信号蝶阀的作用就是在关闭时给控制器发出信号,说明支管碟阀被关闭了,支管不通。在信号蝶阀的顶部设有阀门启闭电信号装置,当阀门被误关闭25%(全开度的四分之一)时,邮电局信号装置便输出被除数误关闭的信号到消防中心,所以此蝶阀是消防自动喷水灭火系统的较佳配套产品。主要用于给排水,建筑消防等各系统管道上,优其在消防管路上。
尼科消防信号蝶阀参数:
公称通径:DN50-DN200
公称压力:1.0Mpa-1.6Mpa
适用温度:-20℃~120℃
适用介质:水、海水、油品
阀体材质:铸铁、球墨铸铁、铸钢
连接方式:对夹连接
设计制造:GB12238-89
结构长度:GB12221-89
法兰标准:GB/T9113.1
检查试验:GB/T13927-92
尼科消防信号蝶阀特性:
消防信号蝶阀的电信号装置设计于蜗杆、蜗轮驱动装置的顶部,并与阀杆直联传动,在精密全封闭的机电装置内,设有消防信号蝶阀开启度机械指示器和尼科电气元件及防锈机件、输出信号长期稳定可靠。
尼科消防信号蝶阀尺寸:

主要连接外形和尺寸 单位:mm
通径
40
50
65
80
100
125
150
200
250
300
L
43
43
46
46
52
56
56
60
68
78
尼科蝶阀的启闭件是一个圆盘形的蝶板,在阀体内绕其自身的轴线旋转,从而达到启闭或调节的目的。蝶阀的优点有结构简单、体积小、重量轻、安装尺寸小、开关迅速。消防信号蝶阀的顶部设有阀门启闭电信号装置,当消防信号蝶阀被误关闭20%(全开度的1/4)时,电信号装置便输出被误关闭的信号到消防控制中心,所以消防信号蝶阀是消防自动喷水灭火系统的较佳配套产品。



