当前位置: 首页 > 产品展示 > 通用阀门 > 尼科蝶阀
产品展示


尼科手动通风蝶阀
详情信息
尼科NIKO(中国)办事处-江苏尼科阀业有限公司提供【手动通风蝶阀】标准、图纸、原理、参数、认证、说明书。质量可靠,价格合理,售后优质。我们拥有专业的生产技术图纸和完整的技术服务方案,为用户提供一站式的系统解决方案。
尼科通风蝶阀概述:
尼科通风蝶阀是一种非密闭型蝶阀。通风蝶阀应用于化工、建材、电站、玻璃等行业中的通风、环保工程的含尘冷风或热风气体管道中,作为气体介质调节流量或切断的管道控制装置。本类阀门在管道中一般应当水平安装。
尼科通风蝶阀参数:
公称通径:DN50-DN2000
公称压力:0.6Mpa
适用温度:≤300℃
适用介质:空气、含尘烟气
阀体材质:碳钢、铸钢、不锈钢
连接方式:法兰连接
密封试验:≤1.5%泄漏量
设计标准:GB/T12238-1989;JB/T8692-1998
结构长度:GB/T1222.1989
压力试验:GB/T13927-1992;JB/T9092-1999
尼科通风蝶阀特性:
①采用中线式碟板与短结构钢板焊接的新型结构形式设计制造的,结构紧凑、重量轻、便于安装、流阻小、流通量大,避免高温膨胀的影响,操作轻便;
②内无连杆、螺栓等、工作可靠、使用寿命长。可以多工位安装,不受介质流向影响。
尼科通风蝶阀概述:
尼科通风蝶阀是一种非密闭型蝶阀。通风蝶阀应用于化工、建材、电站、玻璃等行业中的通风、环保工程的含尘冷风或热风气体管道中,作为气体介质调节流量或切断的管道控制装置。本类阀门在管道中一般应当水平安装。
尼科通风蝶阀参数:
公称通径:DN50-DN2000
公称压力:0.6Mpa
适用温度:≤300℃
适用介质:空气、含尘烟气
阀体材质:碳钢、铸钢、不锈钢
连接方式:法兰连接
密封试验:≤1.5%泄漏量
设计标准:GB/T12238-1989;JB/T8692-1998
结构长度:GB/T1222.1989
压力试验:GB/T13927-1992;JB/T9092-1999
尼科通风蝶阀特性:
①采用中线式碟板与短结构钢板焊接的新型结构形式设计制造的,结构紧凑、重量轻、便于安装、流阻小、流通量大,避免高温膨胀的影响,操作轻便;
②内无连杆、螺栓等、工作可靠、使用寿命长。可以多工位安装,不受介质流向影响。
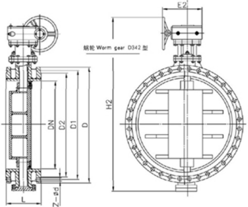
尼科通风蝶阀尺寸:

主要连接外形和尺寸 单位:mm
注:此外形尺寸为1.6Mpa压力蝶阀,如需更高压力尺寸图纸,敬请来电来函咨询。
通径
100
125
150
200
250
300
350
400
450
500
L
127
140
140
152
165
178
190
218
222
229



