

尼科高真空蝶阀概述:
尼科高真空蝶阀适用真空范围105~1.3×10-4pa。可以通过手动转位开关来实现阀门开、关或中间位置的控制,从而达到接通或切断真空管路中气流的目的。适用于空气和非腐蚀性气体的高真空的管路中。
尼科高真空蝶阀参数:
公称通径:DN32-DN800
阀门漏率:≤1.3×10(-四次方)Pa.L/S
适用范围:10(五次方)~1.3×10(-四次方)Pa
适用介质:纯净空气,非腐蚀性气体
阀体材质:碳钢、铸钢、不锈钢
连接标准:JB/T919;GB/T6070
尼科高真空蝶阀特性:
①工作平稳可靠,可任意方向安装,阀杆不会窜动;
②结构简单紧凑、小型轻便,容易拆装及维修,并可在任意位置安装;
③90度回转,启闭迅速,可以多工位安装,不受介质流向影响;
④结构紧凑、重量轻、便于安装、流阻小、流通量大,操作轻便。
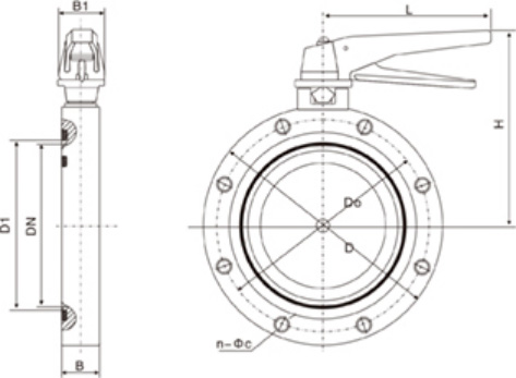
尼科高真空蝶阀尺寸:

主要连接外形和尺寸 单位:mm
通径
32
40
50
63
80
100
125
150
200
250
320
400
500
600
800
B
70
80
90
110
125
145
175
200
260
310
395
480
580
720
890
尼科GI型高真空蝶阀用于接通或切断真空管路中的气流,适用介质为纯净空气和非腐蚀性气体。



