当前位置: 首页 > 产品展示 > 通用阀门 > 尼科排泥阀
产品展示


尼科隔膜电动排泥阀
详情信息
尼科NIKO(中国)办事处-江苏尼科阀业有限公司提供【隔膜电动排泥阀】标准、图纸、原理、参数、认证、说明书。质量可靠,价格合理,售后优质。我们拥有专业的生产技术图纸和完整的技术服务方案,为用户提供一站式的系统解决方案。
尼科电动排泥阀概述:
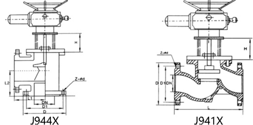
尼科J944X,J941X电动排泥阀由直通式阀体、支架和电动头等三大部分组成,由电动头带动阀板开启或关闭,当停电时也可用手动开启或关闭,一阀两种开启或关闭,阀板为软密封,关闭后密封性能好,无渗漏等优点。适用于水处理厂各类沉淀池,污泥池,用以排放水池内泥沙,污物及废水。该阀采用双室隔膜结构,运动无磨损,不因杂质而漏水,对泥沙淤积不敏感,润滑、密封性能好,采用衬胶阀板,阀座斜度开口不易沉积泥杂物,驱动介质压力低,采用电动集中控制,使用寿命长。
尼科电动排泥阀参数:
公称通径:DN40-DN800
公称压力:1.0Mpa-2.5Mpa
适用温度:-20℃~90℃
适用介质:水、油品
阀体材质:铸铁、铸钢、碳钢、不锈钢
连接方式:法兰连接
尼科电动排泥阀特性:
①供介质为液、气的管路上作截流作用;
②供各型净化设备及池子外部或管道上作排泥、排污用。
尼科排泥阀又叫盖阀,常用于城市水厂、污水处理厂的沉淀池底排放污泥用。排泥阀的适用介质为原生污水,介质的温度一般应小于50℃,其工作水深小于10米。排泥阀的动力源主要有:手动、气动、电动、液动;结构形式主要有:活塞、隔膜、角型。注意:排泥阀应安装在原管线的较低点,并选用与排污水流成切线的排泥三通,还应考虑到排放过程中冲刷对附件基础的影响,排泥阀安装完毕后应及时关闭。
尼科电动排泥阀概述:
尼科J944X,J941X电动排泥阀由直通式阀体、支架和电动头等三大部分组成,由电动头带动阀板开启或关闭,当停电时也可用手动开启或关闭,一阀两种开启或关闭,阀板为软密封,关闭后密封性能好,无渗漏等优点。适用于水处理厂各类沉淀池,污泥池,用以排放水池内泥沙,污物及废水。该阀采用双室隔膜结构,运动无磨损,不因杂质而漏水,对泥沙淤积不敏感,润滑、密封性能好,采用衬胶阀板,阀座斜度开口不易沉积泥杂物,驱动介质压力低,采用电动集中控制,使用寿命长。
尼科电动排泥阀参数:
公称通径:DN40-DN800
公称压力:1.0Mpa-2.5Mpa
适用温度:-20℃~90℃
适用介质:水、油品
阀体材质:铸铁、铸钢、碳钢、不锈钢
连接方式:法兰连接
尼科电动排泥阀特性:
①供介质为液、气的管路上作截流作用;
②供各型净化设备及池子外部或管道上作排泥、排污用。
尼科电动排泥阀尺寸:

主要连接外形和尺寸 单位:mm
通径
50
80
100
150
200
250
300
400
H(J944X)
L(J941X)
230
285
360
455
585
720
800
960
尼科排泥阀又叫盖阀,常用于城市水厂、污水处理厂的沉淀池底排放污泥用。排泥阀的适用介质为原生污水,介质的温度一般应小于50℃,其工作水深小于10米。排泥阀的动力源主要有:手动、气动、电动、液动;结构形式主要有:活塞、隔膜、角型。注意:排泥阀应安装在原管线的较低点,并选用与排污水流成切线的排泥三通,还应考虑到排放过程中冲刷对附件基础的影响,排泥阀安装完毕后应及时关闭。



